Radiator & Components for 1985 Ford EXP
No.
Part # / Description / Price
Price
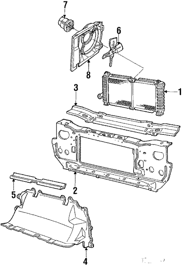
1
Radiator
Ford
Ford Description: Escort, Lynx. Gas engine. Without fuel injection. EXP. Without turbo. With ac. (81 to 3/85),.
3
Radiator Reinforcement
Ford
Ford Notes: PARTS: See first note, also can be purchased with radiator support.
Description: Upper.
5
Air Deflector
Ford
Ford Description: Upper, lower. (3/85 - 87), with ac, front, lower. (81 to 3/85), with a.c., without turbo.
5
Air Deflector
Ford
Ford Description: Without a.c., without hi output. Without ac. (81 to 3/85), without a.c., without high output.
6
Fan Blade
Ford
Ford Description: 1.6l gas. Gas engine, 7 blade. 1.9l gas. Factory ac. With ac, to 2/88. (3/85 - 87), gas engine, with ac. (81 to 3/85), gas engine, with ac.
6
Fan Blade
Ford
Ford Description: Gas engine, 2 blade. 1.9l gas. Exc.Air Cond. (3/85 - 87), gas engine, without ac.
7
Turbocharger
Ford
Ford Description: With e.f.i. To 2/88. Diesel, with ac. Gas with ac, with manual trans. Without ac, auto trans. Without ac, to 9/83. (3/85 - 87), with ac. 4 cylinder.
7
Motor
Ford
Ford Description: Auto trans. All models. Without efi, without ac. Without ac, from 9/83. Exc.Air Cond. Diesel, without ac. 6 cylinder. Without ac, manual trans. 4 cylinder, manual trans. (3/85 - 87), without ac.
No.
Part # / Description / Price
Price
1
Radiator
Ford
Ford Description: Escort, Lynx. Tempo, Topaz. 2.0l, diesel. Tempo, Topaz. 2.3l. With ac. Gas engine. Auto trans. EXP. With turbo.
1
Radiator
Ford
Ford Description: Escort, Lynx. Gas engine. Without turbo. Without ac. Tempo, Topaz. 2.3l. Manual trans. EXP. Auto trans. Exc.Air Cond.
2
Upper Hose
Ford
Ford Description: All models. Tempo, Topaz. 2.0l, diesel. Upper, diesel engine. (3/85 - 87), upper, diesel.
4
Regular Price $7.95 CAD
$5.24 CAD
6
Engine Coolant Thermostat
Ford
Ford Description: Gas engine. Bronco II, Ranger. 2.0l, 2.3l. 4 cylinder. Capri, Mustang. 2.3l.
8
Fan Blade
Ford
Ford Description: 1.6l gas. Gas engine, 7 blade. 1.9l gas. Factory ac. With ac, to 2/88. (3/85 - 87), gas engine, with ac. (81 to 3/85), gas engine, with ac.
9
Fan Motor
Ford
Ford Description: Tempo, Topaz. 2.3l. Without ac. Auto trans. With e.e.c. Tempo, Topaz. 2.0l, diesel. Capri, Mustang. 3.8l-v6. Capri, Mustang. 2.3l. From 04/1986.
9
Fan Motor
Ford
Ford Description: Tempo, Topaz. 2.3l. Without ac. Manual trans. Tempo, Topaz. 2.0l, diesel.
Related Parts
Part # / Description / Price
Price
Upper Reinforced
Ford
Ford Positions: Right
Description: Side. (3/85 - 87), gas engine, to 4/85. (81 to 3/85), coupe & sedan.
Upper Reinforced
Ford
Ford Positions: Left
Description: Side. (3/85 - 87), gas engine, to 4/85. (81 to 3/85), coupe & sedan.
Radiator
Ford
Ford Description: Escort, Lynx. Tempo, Topaz. 2.0l, diesel. Tempo, Topaz. 2.3l. With ac. Gas engine. Auto trans. EXP. With turbo.
