Steering Gear & Linkage for 1989 Ford F-250
No.
Part # / Description / Price
Price
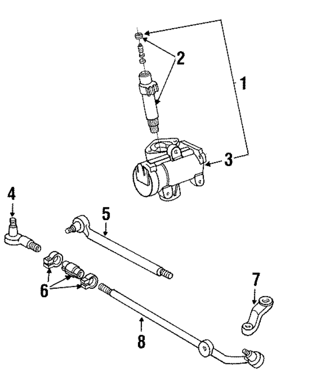
1
Gear Assembly
Ford
Ford Description: 4wd manual steering. E100-350 vans. F350. E250 & 350, manual, from 3/83. Manual steering, from 3/83. F150. Bronco. E100 & 150, manual, from 3/83. F250 pick-up.
4
Outer Tie Rod
Ford
Ford Positions: Left
Description: 4wd manual steering, f250. F250 pick-up. From 01/1985. Left. To 6/92.
4
End - Spindle Rod Connecting
Ford
Ford Positions: Left
Description: F350. Left. Manual. With crew cab. 2wd, outer. F150. F250 pick-up. 4wd. For Drag Link Steering System.
5
Inner Tie Rod
Ford
Ford Description: 4wd manual steering, f350. 4wd, f350, single rear wheel, to 2/92. Single Rear Wheels.
5
End - Spindle Rod Connecting
Ford
Ford Description: F350. Bronco. F150. F250 pick-up. Inner. For Drag Link Steering System.
No.
Part # / Description / Price
Price
2
Steering Gear Housing
Ford
Ford Description: E250 & 350, manual, from 3/83. 2wd manual steering. E100-350 vans. E100 & 150, manual, from 3/83. F250 pick-up. F350. F150.
3
Sector Shaft
Ford
Ford Description: E100-350 vans. F350. 2wd manual steering. F150. Bronco. Manual steering, from 3/83. F250 pick-up.
4
Regular Price $139.58 CAD
$100.42 CAD
4
End Assembly - Drag Link Rod
Ford
Ford Positions: Right
Description: F350. Without crew cab. Manual. 2wd, outer. F150. Under 4,200 Lbs. Front Axle. F250 pick-up. Explorer. 4wd. Right side.
4
Outer Tie Rod
Ford
Ford Positions: Right
Description: F350. Right. With crew cab. F150. Bronco. Front Axle Rating 4,200 Lbs. F250 pick-up. For Drag Link Steering System.
5
End - Spindle Rod Connecting
Ford
Ford Positions: Left
Description: F350. Bronco. F150. F250 pick-up. Inner. For Drag Link Steering System.
6
Regular Price $88.71 CAD
8
Center Link
Ford
Ford Description: 2wd, f250hd, f350. Front Axle Rating 4,200 Lbs. Bronco. F150. F250 pick-up. Under GVW 8,500 Lbs.
No.
Part # / Description / Price
Price
1
Regular Price $670.11 CAD
$436.19 CAD
6
Regular Price $88.71 CAD
7
Pitman Arm
Ford
Ford Description: 2wd power steering, f159, f250 & f350. Bronco. F150. F250 pick-up. Stamped #E7TA 3590-DA.
1 This price excludes a refundable manufacturer's core charge. Add the part to your cart to see the core charge.
No.
Part # / Description / Price
Price
1
Regular Price $670.11 CAD
$436.19 CAD
4
Outer Tie Rod
Ford
Ford Positions: Right
Description: 4wd manual steering, f250. 4wd power steering, f250. F250 pick-up. From 01/1985. Right. To 6/92.
1 This price excludes a refundable manufacturer's core charge. Add the part to your cart to see the core charge.
Related Parts
Part # / Description / Price
Price
Rack Assembly
Ford
Ford Description: E100-350 vans. E100 & 150, manual steering, from 3/83. F250 pick-up. F350. F150.
Shaft Assembly
Ford
Ford Description: E150-350 vans. Ranger. F350. F150. E150, power. E250 & 350, p/s, from 2/82. 2wd. F250 pick-up. Explorer. E100 & 150, p/s, from 2/82.



